免费咨询热线:

188 5762 3188

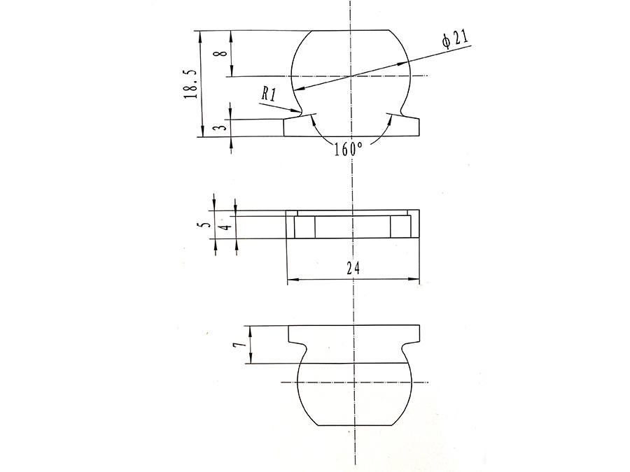
网站当前位置: 首页>产品展示>起动马达系列D

KST-D0007

发布日期:2021-07-20 ;发布者:超级管理员

KST007.jpg7.jpg